Kérdezze meg a termék szakértőjét
Alkalmazások
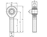
K méretekszéria, A csapágyház, metrikus méretek
K méretekszéria, A csapágyház, metrikus méretek, fémbetéttel
E méretekszéria, A csapágyház, metrikus méretek, W300
E méretekszéria, A csapágyház, metrikus méretek, R
E méretekszéria, A csapágyház, metrikus méretek, J
E méretekszéria, A csapágyház, metrikus méretek, J4
K méretekszéria, A csapágyház, hüvelyk
Magas hőmérséklet – E méretekszéria, A csapágyház, metrikus
Terhelési adatok
PDF fájl Élettartam-számítás 3D-CAD Minták, katalógus és CD-ROM rendelése
ÁÜF Impresszum Általános tudnivalók Adatvédelmi nyilatkozat