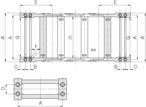
1. Vezetősín oldaldarabok, alumínium, 2 m
2. Csúszóléc, műanyag, 2 m
3. Csúszólécek*, oldalsó, 2 m
4. Alsó kapocs, alumínium
5. C-szelvény, galvanizált acél
6. M8 x 20 csavar
7. M8 csúszó anya
8. "Alap" áthidaló összekötő, műanyag
10. Külön rendelésre: Rezgéstompító profil, gumi
*kérésre csúszószalagok nélkül
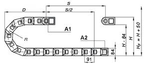
Alumínium "Super Trough" vezetősín - az igus® szabvány
Az Aluminium "Super Trough" moduláris vezetősín-rendszer nagy elmozdulási úthosszakhoz (amikor az E-Chain®-ek önmagukon csúsznak, a vázlat szerint). Az alumínium "Super Trough" vezetősín olcsó "alapváltozatokban" rendelhető, és nagy igénybevételekhez megerősíthető. Ez az általános használhatóság az igus® ajánlott új, szabványos vezetősín-rendszerévé teszi ezt a típust.
- Többféle rögzítési lehetőség a nagy teherbírású rögzítőelemekkel, fenékrögzítőkkel és kapcsoló közdarabokkal
- Oldalt szerelt csúszószalagok kopás elleni védelemre nagy sebességnél
- Korrózióálló a tengervíznek ellenálló alumínium révén
- Flexibilis összeállítás - a tartópadlóhoz csatlakozik, független a profil hosszától és a kábelvályú-szelvények összeillesztési helyétől
A kiválasztott lánchoz nem érhető el vezetővályú.