igus-icon-lupe
igus-icon-lupe
1 of 2
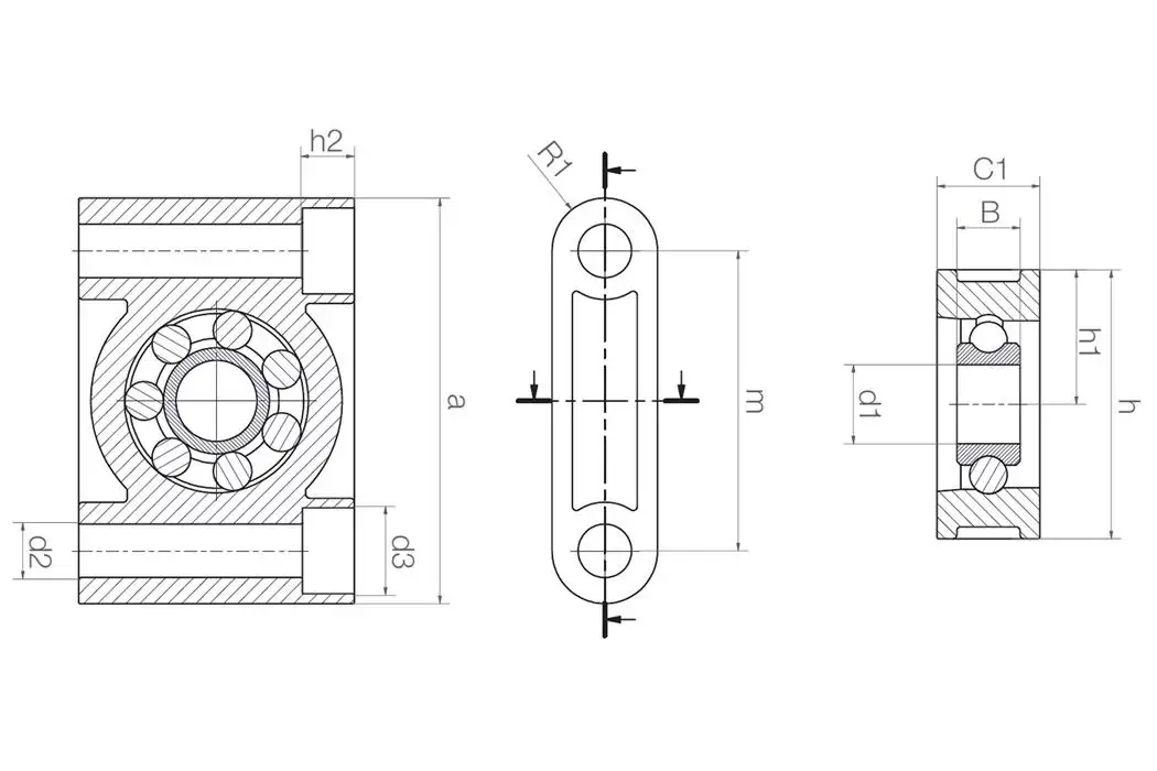
- Tengelyekhez: Ø: 8, 10, 12mm
- Kiváló vegyszer- és tengervízállóság
- Görgős golyóscsapágy
- Működési hőmérséklet: -40°C és +80°C között
- Ház anyaga: igumid G
- Gyűrű alapanyaga: xirodur® B180
- Golyóanyag: üveg
igus-icon-lieferzeit-dotESTM-BB1-P08-B180-GL
8

