Nyelvváltás :

33 %-os költségmegtakarítás
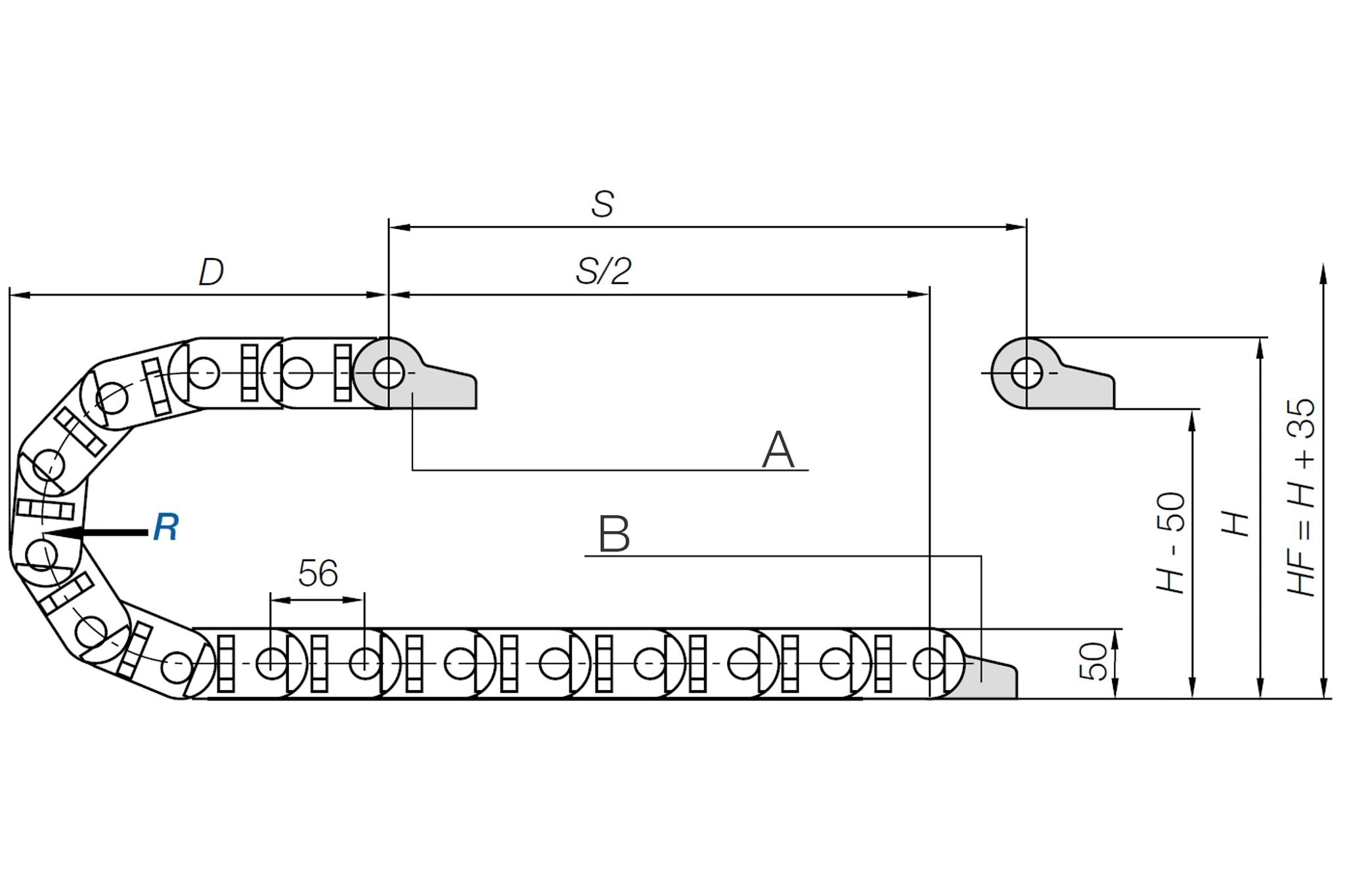
A sikeres E2.1 program kiterjesztése. Zárt (nem nyitható) változatok már 38 mm-es belső magassággal is kaphatók. Költséghatékony, megnövelt többletterheléssel, ezért ideális a vezető hidraulikához. 4 szélességben (50, 75, 90 és 100 mm).
| Cikksz. | Belső magasság [mm] | Külső magasság [mm] | Belső szélesség [mm] | Külső szélesség [mm] | Hajlítási sugár [mm] | Menetemelkedés [mm] |
|---|---|---|---|---|---|---|
| E2C.38 | 38 | 50 | 50 - 125 | 67 - 142 | 063 - 250 | 56 |
In person:
Monday to Friday from 7 am - 8 pm.
Saturdays from 8 am- 12 pm.
Chat-Service
Monday to Thursday from 8 am - 6 pm.
WhatsApp-Service:
Monday to Thursday from 8 am - 4 pm.