Nyelvváltás :

SHTP-FF könnyű, teljesen műanyag kivitelben
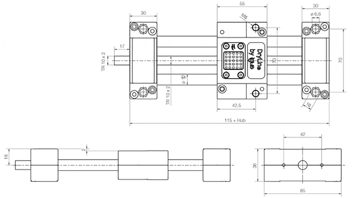
A gyorskioldó mechanizmussal ellátott SHTP-lineáris modul az alumínium változatok minden előnyével rendelkezik, de a csúszdák és a keresztrudak műanyag kivitelének köszönhetően sokkal könnyebb. Egy 100 mm lökethosszúságú lineáris modul tömege mindössze 0,35 kg.

...rendelje meg a lineáris modulokat 250 és 500 mm-es lökethosszúsággal, csatlakoztatásra készen az webáruházból.
In person:
Monday to Friday from 7 am - 8 pm.
Saturdays from 8 am- 12 pm.
Chat-Service
Monday to Thursday from 8 am - 6 pm.
WhatsApp-Service:
Monday to Thursday from 8 am - 4 pm.