Nyelvváltás :
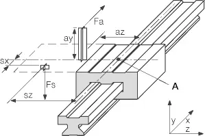
Ellenőrizze, hogy az alkalmazott erők közötti távolságok a megengedett értékeken belül vannak-e (lásd a maximálisan megengedett távolságokat).
| Változat: | 1 sín | 1 kocsi |
|---|---|---|
| sy + sz | < | 2 Lx - Y0 |
| ay + az | < | 2 Lx - Y0 |
| sy | < | 5 Zm |
| sz | < | 5 Zm |

A = Koordináta eredet
A szükséges meghajtóerő kiszámítása
| Fa: | meghajtóerő | [N] |
| Fs: | Tehetetlenségi erő | [N] |
| Fy, Fz: | Csapágyazott terhelés y vagy z irányban | [N] |
| sx, sy, sz: | A tehetetlenségi erő távolsága x, y vagy z irányban | [mm] |
| ay, az: | A meghajtóerő távolsága y vagy z irányban | [mm] |
| wx: | A vagonok közötti távolság egy sínpályán | [mm] |
| LX: | Méretfüggő állandó | [mm] |
| Zm: | Méretfüggő állandó | [mm] |
| Y0: | Méretfüggő állandó | [mm] |
| b: | A vezetősínek közötti távolság | [mm] |
| µ: | súrlódási együttható, µ = 0 statikus terhelés esetén, µ = 0,2 dinamikus terhelés esetén. | |
| ZW: | Sínenkénti csúszkák száma |
A maximális teherbírás kiszámítása
| Rendelési szám | LX [mm] | ZM [mm] | Y0 [mm] |
|---|---|---|---|
| TW-01-15 | 29 | 16 | 11,5 |
| TW-01-20 | 35 | 23 | 15,0 |
| TW-01-25 | 41 | 25 | 19,0 |
| TW-01-30 | 49 | 29 | 21,5 |
| 1 sín, 1 kocsi | |
|---|---|
| K1 | |(ay+Y0)/Lx| |
| K2 | (sy+Y0)/Lx |
| K3 | |az/Lx| |
| K4 | |sx/Lx| |
| K5 | sz/Lx |
| K6 | |(sy+Y0)/Zm| |
| K7 | |sz/Zm| |
Ellenőrizze a legjobban terhelt csapágy maximális teherbírását a 4. lépésben kiszámított terheléssel.
| Rendelési szám | Fymax, Fzmax [N] |
|---|---|
| TW-01-15 | 2.000 |
| TW-01-20 | 3700 |
| TW-01-25 | 5.000 |
| TW-01-30 | 7.000 |

grafikon a meghatározott csapágyterheléshez megengedett legnagyobb sebesség meghatározásához.
X = centrikus csapágyterhelés [N]
Y = megengedett átlagsebesség [m/s]
A terhelés megengedett legnagyobb sebességének meghatározása a 4. lépésből.
In person:
Monday to Friday from 7 am - 8 pm.
Saturdays from 8 am- 12 pm.
Chat-Service
Monday to Thursday from 8 am - 6 pm.
WhatsApp-Service:
Monday to Thursday from 8 am - 4 pm.