Kérjük, válasszon kiszállítási helyet

Az ország/régió kiválasztása befolyásolhatja az árat, a szállítási lehetőségeket és a termékválasztékot.
Kapcsolattartóm
igus® Hungária Kft.- iroda

Óradna utca 4

H-1044 Budapest

+36 1 3066486
+36 1 4310374
HU(HU)

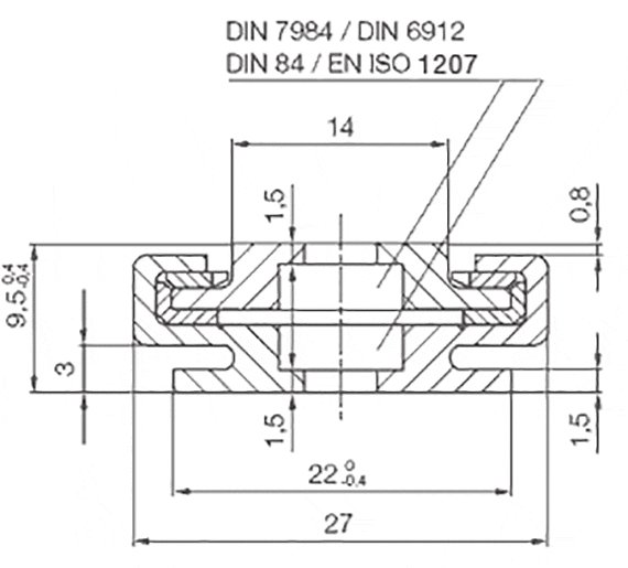
drylin® N – NW-04-27 hosszú, alacsony profilú lineáris vezetőrendszer

Rendelési sz. A sín tömege Max. sínhossz Ár/m  
  [g/m] [mm]    
24-48 órán belül indítható NS-01-27 290 3000 24,54 EUR Kosárba tesz
24-48 órán belül indítható NS-01-27-UNGEBOHRT 290 3000 22,34 EUR Kosárba tesz
24-48 órán belül indítható NS-01-27-AR 290 3000 29,46 EUR Kosárba tesz
További információk a kiválasztott alkatrésszel kapcsolatban:
3D-CAD 3D-CAD
Upit za uzorak Upit za uzorak
PDF PDF
Ajánlatkérés Ajánlatkérés
myCatalog myCatalog

04-es változat: Dupla csúszka átmenő furattal

Rendelési sz. A csúszka tömege    
  [g]    
24-48 órán belül indítható NW-11-27-80-LLY 25 6,51 EUR Kosárba tesz
24-48 órán belül indítható NW-11-27-80-LLZ 25 6,51 EUR Kosárba tesz
24-48 órán belül indítható NW-11-27-80-LLYZ 25 6,51 EUR Kosárba tesz
További információk a kiválasztott alkatrésszel kapcsolatban:
3D-CAD 3D-CAD
Upit za uzorak Upit za uzorak
PDF PDF
Ajánlatkérés Ajánlatkérés
myCatalog myCatalog

Teljes rendszer rendelése

A konfigurálás néhány lépésben elvégezhető:

1. A csúszkák számának kiválasztása
2. A csúszka típusának kiválasztása
3. A sínhossz megadása mm-ben
4. A csúszkaopciók kiválasztása
5. A sínopciók kiválasztása.

Tipp:

További részletes információkat az alábbi rajzokon, illetve a lent hivatkozott oldalakon találhat. Az egyes önbeálló csapágyopciók pontos adatait a megtervezés szabályaiban találhatja meg.
1

önbeálló csapágy nélkül

2

Önbeálló csapágy a „z” irányban

3

Önbeálló csapágy az „y” irányban

4

Önbeálló csapágy az „yz” irányban

drylin® NK – komplett készlet

Lépés 1

Adja meg a kívánt csúszkák számát.

technical drawing
A csúszkák száma:


24-48 órán belül indítható

Az "Apiro", "AutoChain", "CFRIP", "chainflex", "chainge", "chains for cranes", "ConProtect", "cradle-chain", "CTD", "drygear", "drylin", "dryspin", "dry-tech", "dryway", "easy chain", "e-chain", "e-chain systems", "e-ketten", "e-kettensysteme", "e-loop", "energy chain", "energy chain systems", "enjoyneering", "e-skin", "e-spool", "fixflex", "flizz", "i.Cee", "ibow", "igear", "iglidur", "igubal", "igumid", "igus", "igus improves what moves", "igus:bike", "igusGO", "igutex", "iguverse", "iguversum", "kineKIT", "kopla", "manus", "motion plastics", "motion polymers", "motionary", "plastics for longer life", "print2mold", "Rawbot", "RBTX", "readycable", "readychain", "ReBeL", "ReCyycle", "reguse", "robolink", "Rohbot", "savfe", "speedigus", "superwise", "take the dryway", "tribofilament", "tribotape", "triflex", "twisterchain", "when it moves, igus improves", "xirodur", "xiros" and "yes" kifejezések az igus® SE & Co. KG/ Köln jogilag védett védjegyei a Német Szövetségi Köztársaságban és adott esetben egyes külföldi országokban. Ez a védjegyek nem teljes listája (pl. függőben lévő védjegybejelentések vagy bejegyzett védjegyek) az igus vagy az igus leányvállalatai Németországban, az Európai Unióban, az Egyesült Államokban és/vagy más országokban vagy joghatóságokon.

Az igus® SE & Co. KG felhívja a figyelmet, hogy a következő cégek, illetve az összes többi, hajtásokat gyártó és a webhelyen szereplő cég semmilyen termékét nem értékesíti: Allen Bradley, B&R, Baumüller, Beckhoff, Lahr, Control Techniques, Danaher Motion, ELAU, FAGOR, FANUC, Festo, Heidenhain, Jetter, Lenze, LinMot, LTi DRiVES, Mitsubishi, NUM, Parker, Bosch Rexroth, SEW, Siemens, Stöber. Az igus® által kínált termékek gyártója az igus® SE & Co. KG.