Kérjük, válasszon kiszállítási helyet

Az ország/régió kiválasztása befolyásolhatja az árat, a szállítási lehetőségeket és a termékválasztékot.
Kapcsolattartóm
igus® Hungária Kft.- iroda

Óradna utca 4

H-1044 Budapest

+36 1 3066486
+36 1 4310374
HU(HU)

drylin® N – NK-22-17-40 alacsony profilú lineáris vezetőrendszer

drylin® N sín alacsony profilú vezetőrendszerhez

Rendelési sz. Max. sínhossz a C4 A3 C5=C6 h h1 K1* ly lz A sín tömege Ár/m  
  [L max.]       Min. max.       [mm2] [mm2] [g/m]    
24-48 órán belül indítható NS-01-17 2000 17 60 0 20 20/49,5 5,5 0,9 M3 1700 120 150 18,85 EUR Kosárba tesz
24-48 órán belül indítható NS-01-17-AR 2000 17 60 0 20 20/49,5 5,5 0,9 M3 1700 120 150 21,68 EUR Kosárba tesz
24-48 órán belül indítható NS-01-17-UNGEBOHRT 2000 17 60 0 20 5,5 0,9 M3 1700 120 150 16,88 EUR Kosárba tesz
További információk a kiválasztott alkatrésszel kapcsolatban:
3D-CAD 3D-CAD
Upit za uzorak Upit za uzorak
PDF PDF
Ajánlatkérés Ajánlatkérés
myCatalog myCatalog

Ha furat nélküli sínt szeretne, kérjük, tüntesse fel a megjegyzéseknél a következőt: „Furat nélkül”.
* lapos fejű hengeres csavar esetén

drylin® NK-02-17 alacsony profilú lineáris vezetőrendszer

Rendelési sz. Megnevezés A csúszka tömege    
    [g]    
24-48 órán belül indítható NW-22-17-40 Kettős csúszka menetes furattal 2,6 4,71 EUR Kosárba tesz
10 munkanapon belül indítható NW-22-17-40-LLY Kettős csúszka menetes furattal, y irányban önbeálló csapágy 2,6 4,71 EUR Kosárba tesz
24-48 órán belül indítható NW-22-17-40-LLYZ Kettős csúszka menetes furattal, y és z irányban önbeálló csapágy 2,6 4,71 EUR Kosárba tesz
24-48 órán belül indítható NW-22-17-40-LLZ Kettős csúszka menetes furattal, y irányban önbeálló csapágy 2,6 4,71 EUR Kosárba tesz
További információk a kiválasztott alkatrésszel kapcsolatban:
3D-CAD 3D-CAD
Upit za uzorak Upit za uzorak
PDF PDF
Ajánlatkérés Ajánlatkérés
myCatalog myCatalog

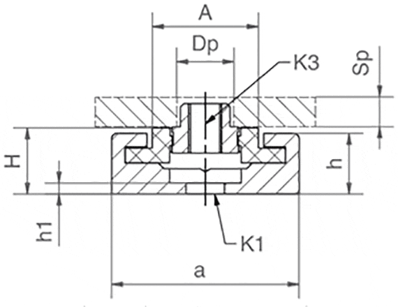
Méretek [mm] – vezetőcsúszkák

Cikk- sz. H A C C1 C2 A2 H2 K2 K3 K4 Sp min. Dp Ø min. Tömeg
  ±0,35                       [g/m]
24-48 órán belül indítható NW-22-17-40 6 9,6 40 40 28 0 0 M3 2,5 5 2,6
10 munkanapon belül indítható NW-22-17-40-LLY 6 9,6 40 40 28 0 0 M3 2,5 5 2,6
24-48 órán belül indítható NW-22-17-40-LLYZ 6 9,6 40 40 28 0 0 M3 2,5 5 2,6
24-48 órán belül indítható NW-22-17-40-LLZ 6 9,6 40 40 28 0 0 M3 2,5 5 2,6
További információk a kiválasztott alkatrésszel kapcsolatban:
3D-CAD 3D-CAD
Upit za uzorak Upit za uzorak
PDF PDF
Ajánlatkérés Ajánlatkérés
myCatalog myCatalog

Teljes rendszer rendelése

A konfigurálás néhány lépésben elvégezhető:

1. A csúszkák számának kiválasztása
2. A csúszka típusának kiválasztása
3. A sínhossz megadása mm-ben
4. A csúszkaopciók kiválasztása
5. A sínopciók kiválasztása.

Tipp:

További részletes információkat az alábbi rajzokon, illetve a lent hivatkozott oldalakon találhat. Az egyes önbeálló csapágyopciók pontos adatait a megtervezés szabályaiban találhatja meg.
1

önbeálló csapágy nélkül

2

Önbeálló csapágy a „z” irányban

3

Önbeálló csapágy az „y” irányban

4

Önbeálló csapágy az „yz” irányban

drylin® NK – komplett készlet

Lépés 1

Adja meg a kívánt csúszkák számát.

technical drawing
A csúszkák száma:

Statikus teherbírás és egy terület tehetetlenségi nyomatéka

A = furat min. Ø 5 mm
B = A csavar meghúzásához szükséges mélység
C = M3 gépi csavarokhoz
DIN 7984/DIN 6912/DIN 84
EN ISO 1707

24-48 órán belül indítható
10 munkanapon belül indítható

Az "Apiro", "AutoChain", "CFRIP", "chainflex", "chainge", "chains for cranes", "ConProtect", "cradle-chain", "CTD", "drygear", "drylin", "dryspin", "dry-tech", "dryway", "easy chain", "e-chain", "e-chain systems", "e-ketten", "e-kettensysteme", "e-loop", "energy chain", "energy chain systems", "enjoyneering", "e-skin", "e-spool", "fixflex", "flizz", "i.Cee", "ibow", "igear", "iglidur", "igubal", "igumid", "igus", "igus improves what moves", "igus:bike", "igusGO", "igutex", "iguverse", "iguversum", "kineKIT", "kopla", "manus", "motion plastics", "motion polymers", "motionary", "plastics for longer life", "print2mold", "Rawbot", "RBTX", "readycable", "readychain", "ReBeL", "ReCyycle", "reguse", "robolink", "Rohbot", "savfe", "speedigus", "superwise", "take the dryway", "tribofilament", "tribotape", "triflex", "twisterchain", "when it moves, igus improves", "xirodur", "xiros" and "yes" kifejezések az igus® SE & Co. KG/ Köln jogilag védett védjegyei a Német Szövetségi Köztársaságban és adott esetben egyes külföldi országokban. Ez a védjegyek nem teljes listája (pl. függőben lévő védjegybejelentések vagy bejegyzett védjegyek) az igus vagy az igus leányvállalatai Németországban, az Európai Unióban, az Egyesült Államokban és/vagy más országokban vagy joghatóságokon.

Az igus® SE & Co. KG felhívja a figyelmet, hogy a következő cégek, illetve az összes többi, hajtásokat gyártó és a webhelyen szereplő cég semmilyen termékét nem értékesíti: Allen Bradley, B&R, Baumüller, Beckhoff, Lahr, Control Techniques, Danaher Motion, ELAU, FAGOR, FANUC, Festo, Heidenhain, Jetter, Lenze, LinMot, LTi DRiVES, Mitsubishi, NUM, Parker, Bosch Rexroth, SEW, Siemens, Stöber. Az igus® által kínált termékek gyártója az igus® SE & Co. KG.