Nyelvváltás :

A drylin N alacsony profilú vezetőrendszer ideális a kis telepítési hellyel rendelkező alkalmazásokhoz, 6-12 mm-es rendszermagassággal. Kis mérete hatékony energia- és károsanyag-fogyasztást, valamint szállítható rendszermegoldásokat tesz lehetővé. Az alacsony profilú vezetőrendszer gyártás- és anyagminősége lenyűgöző. A termék az összes jó tulajdonságát a lehető legkevesebb komponens felhasználásával éri el. Ez azt jelenti, hogy a telepítés gyorsan elvégezhető, és a karbantartás a lehető legproblémamentesebb.
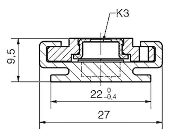
Helytakarékos kialakítás, 9-12 mm beépítési magassággal.
Az alacsony profilú vezetőrendszer könnyű, energiahatékony kialakításának köszönhetően.
A meghatározott elmozdulási erők megkönnyítik a beállítást és a pozicionálást.
A kocsik és a csúszóelemek rugós előfeszítése biztosítja a halk futást.
A több komponensű fröccsöntéssel készült kocsiknak köszönhetően (állandó kapcsolat a csúszka és a csúszóelem között).
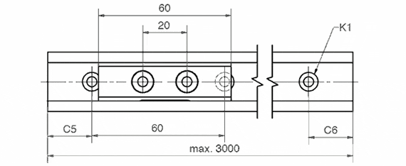
A kettős kocsik használatának köszönhetően nem szükséges többet használni.

Kérdése van a drylin lineáris vezetőkkel kapcsolatban? Michael Hornung szívesen segít Önnek telefonon vagy online MS Teams videohívásban.

Győződjön meg drylin N alacsony profilú vezetőrendszerünk előnyeiről mintacsomagunk segítségével.
Mintadoboz igénylése
10 potenciális megtakarítási lehetőség, amely segíthet a felesleges költségek csökkentésében a drylin lineáris csapágyakkal.
Tanulmány letöltése
Előfeszített prizma vezetés

SLN alacsony profilú vezető rendszer vezérorsóval
In person:
Monday to Friday from 7 am - 8 pm.
Saturdays from 8 am- 12 pm.
Chat-Service
Monday to Thursday from 8 am - 6 pm.
WhatsApp-Service:
Monday to Thursday from 8 am - 4 pm.