Nyelvváltás :
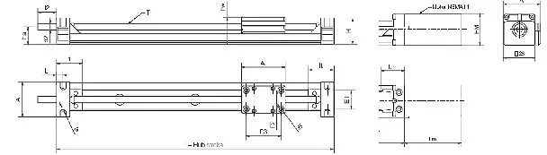
A drylin SLN lineáris tengelyek megoldást kínálnak szűk telepítési hely esetében. A kisméretű tengely 28x22 mm-es, és akár 250 mm-es lökethosszal is konfigurálható. A kenésmentes műanyag vezetéseknek köszönhetően rendkívül halkan működik és nagyon könnyű. A 27-es telepítési méretű mikrométer asztal képezi az alapot. A tengelyvégtámasz vezérorsós tengelye golyóscsapágyakkal rendelhető.

SLN-27-03 Alap modell igus® polimerből készült alap kocsival
SLN-27-04 Kocsi kézi hézag- és magasságállítással
SLN-27-05 Kocsi axiális rugós előfeszítéssel, kézi hézag- és magasságállítással
SLN-27-14 Kocsi manuális hézag- és magasságállítással, golyóscsapágyas vezérorsó
SLN-27-15 Kocsi axiális rugós előfeszítéssel, kézi hézag- és magasságállítással, golyóscsapágyas vezérorsóval
Alkalmazási területek: Könnyű, szenzoros beállításokkal ellátott előtoló mozgások, könnyű kezelési feladatok a berendezés- és labortechnikában.
| Cikksz. | Max. lökethossz [mm] | Tömeg [g] | Kiegészítő (100 mm-enként) [g] | Max. statikus teherbírás, axiális [N] | Max. statikus terhelhetőség, radiális [N] | Max. forgási sebesség [U/min] | Max. hajtási nyomaték [Nm] | A, ±0,2 [mm] | Al, ±0,1 [mm] |
|---|---|---|---|---|---|---|---|---|---|
| SLN-27-03-0008 | 250 | 50 | 40 | 10 | 40 | 100 | 0,1 | 28 | 35 |
| SLN-27-03-0025 | 250 | 50 | 40 | 10 | 40 | 100 | 0,1 | 28 | 35 |
| SLN-27-03-0051 | 250 | 50 | 40 | 10 | 40 | 100 | 0,2 | 28 | 35 |
| SLN-27-03-0127 | 250 | 50 | 40 | 10 | 40 | 100 | 0,3 | 28 | 35 |
| SLN-27-03-0254 | 250 | 50 | 40 | 10 | 40 | 100 | 0,4 | 28 | 35 |
| Cikksz. | H, ±0,2 [mm] | E1, ±0,15 [mm] | E2, ±0,15 [mm] | E3, ±0,15 [mm] | l [mm] | hw, ±0,2 [mm] | lt, ±0,2 [mm] | tg [mm] | T | d2 [mm] | l2 [mm] | ha [mm] |
|---|---|---|---|---|---|---|---|---|---|---|---|---|
| SLN-27-03-0008 | 22 | 20,5 | 15 | 28 | 77 | 22 | 21 | 3,2 | M5 | 5 | 15 | 14,5 |
| SLN-27-03-0025 | 22 | 20,5 | 15 | 28 | 77 | 22 | 21 | 3,2 | 6,35x2,54 | 6,35 | 15 | 14,5 |
| SLN-27-03-0051 | 22 | 20,5 | 15 | 28 | 77 | 22 | 21 | 3,2 | 6,35x2,54 | 6,35 | 15 | 14,5 |
| SLN-27-03-0127 | 22 | 20,5 | 15 | 28 | 77 | 22 | 21 | 3,2 | 6,35x2,54 | 6,35 | 15 | 14,5 |
| SLN-27-03-0254 | 22 | 20,5 | 15 | 28 | 77 | 22 | 21 | 3,2 | 6,35x2,54 | 6,35 | 15 | 14,5 |

SLN-27-14 Kocsi kézi hézag- és magasságállítással, golyóscsapágyas vezérorsóval
SLN-27-15 Kocsi axiális rugós előfeszítéssel, kézi hézag- és magasságállítással, golyóscsapágyas vezérorsóval
Beépített motor NEMA 11 léptetőmotor lengőkábellel Tartási nyomaték Mo 0,13Nm, csatlakozóméret 28x28 mm
Opcionálisan rendelhető: Közvetlenül és szabadon pozicionálható végálláskapcsolók a profilon
Alkatrész szám: IK-0052 végálláskapcsoló készlet SLN, induktív, PNP, NC/elhajlás nélküli tartóval
Alkatrész szám: IK-0053 végálláskapcsoló készlet SLN, induktív, PNP, NO/NO tartóval
Alkalmazási területek: Automaták, orvosi laboratóriumi technológia, teszt technológia
| Cikksz. | Max. lökethossz [mm] | Tömeg [g] | Kiegészítő (100 mm-enként) [g] | Max. statikus teherbírás, axiális [N] | Max. statikus terhelhetőség, radiális [N] | Max. forgási sebesség [U/min] | Max. hajtási nyomaték [Nm] | A, ±0,2 [mm] | Al, ±0,1 [mm] |
|---|---|---|---|---|---|---|---|---|---|
| SLN-27-14-0050-100-11-L-S-000 | 100 | 60 | 40 | 10 | 40 | 300 | 0,1 | 28 | 35 |
| SLN-27-14-0050-150-11-L-S-000 | 150 | 60 | 40 | 10 | 40 | 300 | 0,1 | 28 | 35 |
| SLN-27-14-0050-200-11-L-S-000 | 200 | 60 | 40 | 10 | 40 | 300 | 0,1 | 28 | 35 |
| SLN-27-14-0050-250-11-L-S-000 | 200 | 60 | 40 | 10 | 40 | 300 | 0,1 | 28 | 35 |
| SLN-27-15-0050-100-11-L-S-000 | 100 | 60 | 40 | 10 | 40 | 300 | 0,1 | 28 | 35 |
| SLN-27-15-0050-150-11-L-S-000 | 150 | 60 | 40 | 10 | 40 | 300 | 0,1 | 28 | 35 |
| SLN-27-15-0050-200-11-L-S-000 | 200 | 60 | 40 | 10 | 40 | 300 | 0,1 | 28 | 35 |
| SLN-27-15-0050-250-11-L-S-000 | 250 | 60 | 40 | 10 | 40 | 300 | 0,1 | 28 | 35 |
| Cikksz. | H, ±0,2 [mm] | E1, ±0,15 [mm] | E2, ±0,15 [mm] | E3, ±0,15 [mm] | l [mm] | hw, ±0,2 [mm] | lt, ±0,2 [mm] | tg | T | d2 | l2 [mm] | ha [mm] |
|---|---|---|---|---|---|---|---|---|---|---|---|---|
| SLN-27-14-0050-100-11-L-S-000 | 21,5 | 20,5 | 15 | 28 | 76 | 22 | 20,2 | M3 | 5x5 | M5 | 15 | 14 |
| SLN-27-14-0050-150-11-L-S-000 | 21,5 | 20,5 | 15 | 28 | 76 | 22 | 20,2 | M3 | 5x5 | M5 | 15 | 14 |
| SLN-27-14-0050-200-11-L-S-000 | 21,5 | 20,5 | 15 | 28 | 76 | 22 | 20,2 | M3 | 5x5 | M5 | 15 | 14 |
| SLN-27-14-0050-250-11-L-S-000 | 21,5 | 20,5 | 15 | 28 | 76 | 22 | 20,2 | M3 | 5x5 | M5 | 15 | 14 |
| SLN-27-15-0050-100-11-L-S-000 | 21,5 | 20,5 | 15 | 28 | 76 | 22 | 20,2 | M3 | 5x5 | M5 | 15 | 14 |
| SLN-27-15-0050-150-11-L-S-000 | 21,5 | 20,5 | 15 | 28 | 76 | 22 | 20,2 | M3 | 5x5 | M5 | 15 | 14 |
| SLN-27-15-0050-200-11-L-S-000 | 21,5 | 20,5 | 15 | 28 | 76 | 22 | 20,2 | M3 | 5x5 | M5 | 15 | 14 |
| SLN-27-15-0050-250-11-L-S-000 | 21,5 | 20,5 | 15 | 28 | 76 | 22 | 20,2 | M3 | 5x5 | M5 | 15 | 14 |
| Cikksz. | ltm [mm] | HM [mm] | Ai [mm] | li [mm] | l [mm] | lm [mm] |
|---|---|---|---|---|---|---|
| SLN-27-14-0050-100-11-L-S-000 | 20,5 | 28 | 33 | 25 | 83 | változtatható |
| SLN-27-14-0050-150-11-L-S-000 | 20,5 | 28 | 33 | 25 | 83 | változtatható |
| SLN-27-14-0050-200-11-L-S-000 | 20,5 | 28 | 33 | 25 | 83 | változtatható |
| SLN-27-14-0050-250-11-L-S-000 | 20,5 | 28 | 33 | 25 | 83 | változtatható |
| SLN-27-15-0050-100-11-L-S-000 | 20,5 | 28 | 33 | 25 | 83 | változtatható |
| SLN-27-15-0050-150-11-L-S-000 | 20,5 | 28 | 33 | 25 | 83 | változtatható |
| SLN-27-15-0050-200-11-L-S-000 | 20,5 | 28 | 33 | 25 | 83 | változtatható |
| SLN-27-15-0050-250-11-L-S-000 | 20,5 | 28 | 33 | 25 | 83 | változtatható |

Miniatűr lineáris modul szemüvegtokkal
Kérje tőlünk ingyenes miniatűr lineáris modul termékmintáját, amely egy szemüvegtokban érkezik majd Önhöz, amelyben további információt talál az igus hajtástechnológiáról. Győződjön meg a kisméretű, kenésmentes lineáris modulok minőségéről.



A lapos lineáris egység motoros vezérorsós hajtásához az igus nagy teljesítményű vezérorsós léptetőmotorokat kínál. A motorok három méretben állnak rendelkezésre: NEMA11, NEMA17 és NEMA23. A dryspin vezérorsóval való kombináció garantálja a pontos centrálást és a teljes lapos lineáris modul hosszú élettartamát.

Útmutatónkból megtudhatja, hogy az elektromos csatlakozók mely kiosztása pl. a motor, enkóder vagy fék esetében a legjobb a vezérorsó tengelyéhez.
A kiosztást fokban adjuk meg (a motor hátulnézetéhez viszonyítva).
In person:
Monday to Friday from 7 am - 8 pm.
Saturdays from 8 am- 12 pm.
Chat-Service
Monday to Thursday from 8 am - 6 pm.
WhatsApp-Service:
Monday to Thursday from 8 am - 4 pm.